SAVE 사이드 그립 파일 드라이버는 안전하고 빠르며 경제적입니다.
파일길이에 관계없이 사이드그립으로 파일을 잡고 기울기를 조정하여 원하는 위치에 작업을 할 수 있습니다.
장비 개조없이 장파일 작업가능
교량하부 등의 좁은 공간에서 작업 가능
쉬트파일, H-BEAM, 강관파일, 우드파일의 작업이 가능
굴삭기의 유압라인을 활용하여 작동되므로 별도의 동력원이 필요하지않음
좌, 우 회전 및 틸트기능으로 원하는 작업 가능
Sheet pile , H-beam 또는 Tube 작업에 적합
1번 : Tube 작업용 Tool
2번 : Sheet pile 작업용 Tool
용이성 : 작업용도에 따라 Tool 교환이 간편함
| Pile size | Excavator size | ||
|---|---|---|---|
| length(M) | weight(kg) | 20~32 | 33~48 |
| 6 | 2,800 | SVSH35 | |
| 12 | 1,900 | ||
| 16 | 1,300 | ||
| 8 | 2,300 | SVSH30 | |
| 12 | 1,800 | ||
| 16 | 1,200 | ||
| Sheet piles | width | 400 ~ 1200 mm |
| depth | 270 mm | |
| H-beam | size | H125 ~ H500 |
| Tube | size | 220 ~ 500 mm |
| MODEL | Unit | SVSH30 | SVSH35 | |
|---|---|---|---|---|
| Eccentric Moment | kg.m | 6 | 10 | |
| in.lbs | 476 | 680 | ||
| Centrifugal Force | kN | 640 | 1,000 | |
| Amplitude | mm | 8 | 12 | |
| Inch | 0.31 | 0.47 | ||
| Max. Frequency | rpm | 2,700 | 2,700 | |
| Oil Flow | ℓ/m | 170 ~ 210 | 180 ~ 240 | |
| Clamping Force(200bar) | ton | 40 | 44 | |
| Hydraulic Pressure | bar | 200~250 | 250~300 | |
| psi | 2,900 ~ 3,600 | 3,600 ~ 4,350 | ||
| Slewing / Tilt Angle | degree | 360 / 35 | 360 / 35 | |
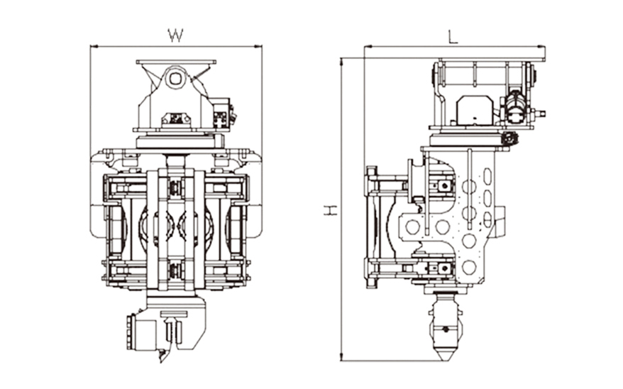
| DIMENSION | Height(H) | mm | 2,120 | 2,250 |
| inch | 83 | 88 | ||
| Length(L) | mm | 1,180 | 1,230 | |
| inch | 46 | 48 | ||
| Width(W) | mm | 1,200 | 1,280 | |
| inch | 47 | 50 | ||
| Weight(excl. mount) | kg | 2,400 | 2,850 | |
| Application Excavator | ton | 20~32 | 33~48 | |
Address. 20, Sincheon-ro 43beon-gil,
Siheung-si, Gyeonggi-do, Korea
Tel. +82-31-404-5531
Fax. +82-31-404-5532
E-Mail. breakerno2@hanmail.net